- Wälzlager
- Keilriemen
- Rippenriemen
- Zahnriemen
-
Ketten- Riemenscheiben
- Keilriemenscheiben
- Zahnriemenscheiben Fertigbohrung
- Zahnriemenscheiben Taperbuchsen
- Keilrippenscheibe für Taperspannbuchse
- Klemmplatte
-
Kettenräder
- Type 04 B (6 mm x 2,8 mm)
- Type 05 B (8 mm x 3,0 mm)
- Type 06 B (3/8 Zoll x 7/32 Zoll)
- Type 081 (1/2 Zoll x 1/8 Zoll)
- Type 083 (1/2 Zoll x 3/16 Zoll)
- Type 08 B (1/2 Zoll x 5/16 Zoll)
- Type 10 B (5/8 Zoll x 3/8 Zoll)
- Type 12 B (3/4 Zoll x 7/16 Zoll)
- Type 16 B (1 Zoll x 17,02 mm)
- Type 20 B (1 1/4 Zoll x 3/4 Zoll)
- Type 24 B (1 1/2 Zoll x 1 Zoll)
- Kettenradscheiben
- Kettenrad für Taperbuchse
- Kettenspannräder (einbaufertig)
- Taperspannbuchsen
- Rollenketten
- Normteile
- Dichtungen
- Betriebsmittel
- Herstellerverzeichnis
- Kontakt
Kettenrad KR 083-1 Z=18 vorgebohrt (1/2 Zoll x 3/16 Zoll)
TOP INDUSTRIETEILEArtikelnummer: KRVB083B1Z18
| ab Stück | Stückpreis |
|---|---|
| Ab 1 | 11,29 zzgl. MwSt. € | 13,44 € inkl. MwSt. |
| Ab 2 | 10,73 zzgl. MwSt. € | 12,77 € inkl. MwSt. |
| Ab 5 | 10,39 zzgl. MwSt. € | 12,37 € inkl. MwSt. |
| Ab 10 | 10,17 zzgl. MwSt. € | 12,10 € inkl. MwSt. |
| Ab 15 | 9,60 zzgl. MwSt. € | 11,42 € inkl. MwSt. |
| Ab 20 | 9,03 zzgl. MwSt. € | 10,75 € inkl. MwSt. |
Nicht mehr verfügbar
Artikelbeschreibung
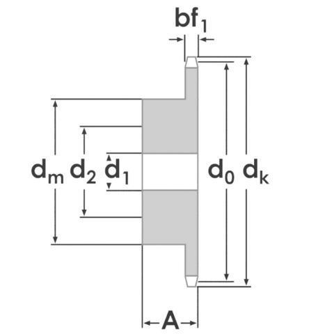
Wichtige Maschinenelemente wie Rollenketten übertragen über Kettenräder und Kettenradscheiben Ihre Antriebsleistung und werden passend zum Profil der eingesetzten Rollenkette gewählt. Die Wellen- Scheiben- oder Rad Verbindung erfolgt über eine Fertigbohrung. Kettenräder sind teilweise vorgebohrt und müssen vor dem Einsatz auf die gewünschte Passbohrung mit entsprechender Nut zerspant werden. Rollenketten werden in den verschiedensten Anwendungsgebieten wie dem allgemeinen Maschinen- & Anlagenbau, der Fördertechnik, der Lagerlogistik, Landmaschinen, der Sägeindustrie und vielen weiteren industriellen Anlagen eingesetzt als Antriebselement.
Produktdetails
| Kettentyp: | 083B-1 |
|---|---|
| Material: | Stahl |
| Teilkreis d0 in mm: | 73.14 |
| Teilung mm: | 12.7 |
| Wellenaufnahme: | Bohrung |
| Zähnezahl: | 18 |
| Ausführung: | Simplex |
Informationen zur Produktsicherheit
Herstellerinformationen:
TOP INDUSTRIETEILE Chemnitzer Straße 11 14612 Falkensee service@top-industrieteile.de WEEE-Nummer:
Verantwortliche Person:
TOP INDUSTRIETEILE Patrick Scholtz Chemnitzer Straße 11 14612 Falkensee DE service@top-industrieteile.de https://top-industrieteile.de/





















































Diese Website verwendet Cookies, um eine bestmögliche Erfahrung bieten zu können.